ZQ-YA標準壓力變送器

- 產品分類:壓力傳感器
- 全國咨詢熱線:
- 13907318074
分享到:
概述
ZQ—Y系列壓力變送器選用著名瑞士KELLER公司高精度、高穩(wěn)定性擴散硅壓力和壓阻式傳感器組件,通過可靠性高的放大電路,將被測介質的表壓和絕壓轉換4~20mA、0~0mA、0~20mA、0~5VDC、0~10VDC、1~5VDC標準信號,因為有高質量的傳感器、精湛的封裝技術及完善的裝配工藝確保了該系列產品質量。ZQ—Y系列專用壓力變送器分五個類型:標準型、高 低溫型、超高壓型、液位型、防爆型。廣泛應用在石油、化工、航天航空、水利、電力醫(yī)療、空調等行業(yè)的自動控制檢測系統。
主要技術指標
量程 0~1KPa至0~250MPa
精度 ±0.1%F.S ±0.25%F.S
工作壓力 (12~36)VDC 24VDC±5℅,波小于1%
工作溫度 -25℃~+85℃
過載壓力 150%F.S
長期穩(wěn)定性 0.1%F.S/年 ~ 0.2%F.S/年
結構特性
接頭材料 1Cr18Ni9Ti
外殼材料 1Cr18Ni9Ti
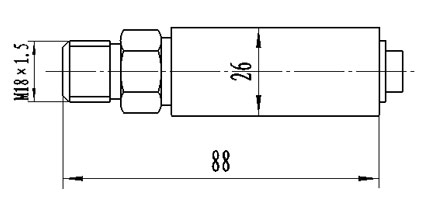
連接螺紋 M20×1.5外螺紋、M18×1.5、 M12×1外螺紋或用戶自選
引線方式 電纜線(標準長度1m)或航空插頭 X12K5P、X12J5A
應用
工業(yè)過程風壓及氣壓測量
液壓、壓鑄、中央空調系統控制
石油化工、環(huán)保、機械、冶金、航空航天
檢漏設備、恒壓供水檢測控制系統
外形尺寸圖

ZQ—Y系列壓力變送器選用著名瑞士KELLER公司高精度、高穩(wěn)定性擴散硅壓力和壓阻式傳感器組件,通過可靠性高的放大電路,將被測介質的表壓和絕壓轉換4~20mA、0~0mA、0~20mA、0~5VDC、0~10VDC、1~5VDC標準信號,因為有高質量的傳感器、精湛的封裝技術及完善的裝配工藝確保了該系列產品質量。ZQ—Y系列專用壓力變送器分五個類型:標準型、高 低溫型、超高壓型、液位型、防爆型。廣泛應用在石油、化工、航天航空、水利、電力醫(yī)療、空調等行業(yè)的自動控制檢測系統。
主要技術指標
量程 0~1KPa至0~250MPa
精度 ±0.1%F.S ±0.25%F.S
工作壓力 (12~36)VDC 24VDC±5℅,波小于1%
工作溫度 -25℃~+85℃
過載壓力 150%F.S
長期穩(wěn)定性 0.1%F.S/年 ~ 0.2%F.S/年
結構特性
接頭材料 1Cr18Ni9Ti
外殼材料 1Cr18Ni9Ti
連接螺紋 M20×1.5外螺紋、M18×1.5、 M12×1外螺紋或用戶自選
引線方式 電纜線(標準長度1m)或航空插頭 X12K5P、X12J5A
應用
工業(yè)過程風壓及氣壓測量
液壓、壓鑄、中央空調系統控制
石油化工、環(huán)保、機械、冶金、航空航天
檢漏設備、恒壓供水檢測控制系統
外形尺寸圖
